GX2245 доступен для промышленных плат высокоскоростного сбора данных, заменяя LTC2245
Время:2024-03-13
Просмотры:1476
По мере увеличения количества задач с большим объемом данных в промышленных системах необходимо предотвращать сбои в работе системы, принимая быстрые решения, что повышает потребность в более высоких скоростях и точности. Эта статья посвящена одноканальному 14-разрядному АЦП GXSC GX2245 для использования в промышленных высокоскоростных платах сбора данных.
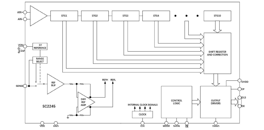
Когда сигнал поступает на вход платы сбора, многоканальный аналоговый приемник усиливает его, обрабатывает с помощью низкочастотной фильтрации после АЦП и, наконец, обрабатывает в цифровом виде. GX2245 использует многоступенчатую дифференциальную конвейерную архитектуру АЦП, в которую встроены высокопроизводительные схемы выборки и удержания и встроенный источник опорного напряжения, и поддерживает частоту дискретизации 80MSPS / 65MSPS / 40MSPS / 25MSPS / 10MSPS. Для получения дополнительной информации, пожалуйста, свяжитесь с нами по адресу service_jesseli@gxschip.com.

Разработанный для оцифровки высокочастотных сигналов с широким динамическим диапазоном, GX2245 питается от аналогового источника питания 3 В с отдельным выходным источником, способным управлять логическими схемами с напряжением от 0,5 до 3,6 В. Благодаря соотношению сигнал/шум 72,8 дБ и динамическому диапазону без помех 85 дБ при частоте дискретизации 80 МГц, АЦП может использоваться для входных сигналов, значительно превышающих частоту Найквиста.





